DISTRIBUTORE MONOBLOCCO UNA LEVA WALVOIL SD18/1-P(KG3-120)/18L-AET Cod. 106111001
370,00 €
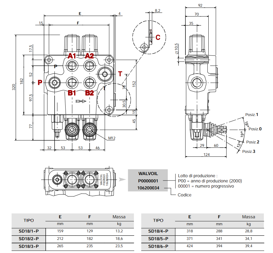
Di semplice, compatta e robusta realizzazione, questi distributori monoblocco da 1 a 6 sezioni sono idonei per sistemi oleoidraulici
con pompe a cilindrata fissa o a cilindrata variabile per centro chiuso.
H Valvola di sovrapressione generale in entrata e valvola di ritegno sulla linea mandata.
H Circuito parallelo
H Continuazione della linea di pressione (carry–over) opzionale.
H Cursori intercambiabili di diametro 25 mm.
H Predisposizione a richiesta per valvole sugli utilizzi.
H Comandi manuali, pneumatici, idraulici, elettro–idraulici e a distanza con cavi flessibili.
FILETTATURA STANDARD 3/4″

1 disponibili (ordinabile)
Informazioni aggiuntive
| Peso | 15 kg |
|---|
Informazioni aggiuntive
| Peso | 15 kg |
|---|
Devi effettuare lโaccesso per pubblicare una recensione.






Recensioni
Ancora non ci sono recensioni.